- LGH-IRW04型 工業機器人操作調整工技能鑒定平臺
- LGH-JR05Z型 工業機器人視覺裝配實訓平臺
- LGH-JR605Z型 工業機器人上下料技能實訓平臺
- LGH-JR12C型 工業機器人電氣系統拆裝實訓平臺
- LGH-LS01型 工業機器人理實一體化教學系統
- LGH-MES40型 工業4.0生產線實訓系統
- LGH-DK01型 工業機器人雕刻實訓平臺
- LGH-HJ12型 工業機器人焊接實訓平臺
- LGH-MP12型 工業機器人磨拋實訓平臺
- LGL-PT06型 工業機器人噴涂實操工作站
- LGL-CZ06型 工業機器人機械拆裝及電氣拆裝平臺
- LGL-MD06型 工業機器人碼垛實操工作站
- LGL-DM06型 工業機器人打磨去毛刺實操工作站
- LGL-HJ06型 工業機器人焊接實操工作站
- LGL-IR03型 工業機器人綜合實訓平臺
- LGL-ZS01型 綜合設備工業機器人工作站
- LG-CY403型 高防護工業機器人
- LG-CY420型 沖壓工業機器人
- LG-CY415型 四軸工業機器人
- LG-CY410A型 沖壓工業機器人
- LG-HJ605型 焊接工業機器人
- LG-DM630型 打磨工業機器人
- LG-DM612型 打磨工業機器人
- LG-ZN6150型 工業機器人
- LG-ZN680型 工業機器人
- LG-ZN650L型 工業機器人
- LG-ZN630型 工業機器人
- LG-ZN620L型 工業機器人
- LG-ZN612型 工業機器人
- LG-ZN605型 工業機器人
- LG-ZN603型 小型六軸工業機器人
- LGL-406型 SCARA工業機器人
- LGL-608H型 六軸工業機器人
- LGL-608型 工業機器人
- LGL-607/607L型 工業機器人
- LGL-604型 工業機器人
- LGL-620型 六軸工業機器人
- LG-SX5110型 碼垛工業機器人(5軸)
- LG-SX616型 工業機器人(機床高防護版)
- LG-SX610型 六軸工業機器人
LG-ARA462型 工業機器人
LG-ARA462型 工業機器人是一款專門針對桌面拾取安裝應用而開發的機器人,LG-ARA462型 工業機器人可廣泛用于醫療藥品、實驗室自動化、消費類產品、工業產品、電信、制藥、包裝、半導體、電子等行業領域。依托公司多年伺服控制的技術積累,使用自主研發的控制技術,巧妙地運用伺服電機的性能,在高轉矩工況下可帶6Kg負載,在高轉速的工況下電機轉速可高達5000轉,1、2軸串聯臂長達600MM。具有高速度、高性能、高精度、體積小、運動靈活和低價格的優勢。其串聯的第一軸和第二軸類似于人的手臂可快速在平面內進行定位和定向,可以伸進有限空間中作業后收回。

一、優勢特點
(一)高性能
1、快
高速循環時間使零部件吞吐量得到提升
出色的加/減速度,匹配平穩的啟動/停止時間
高速循環時間低至0.4S,使零部件可快速、準確地運行
負載高達6Kg,額定負載為2Kg,即使負載增加,也可保持高速循環
2、準
精密的機械加工,多道加工工序,完善的裝配管控
使用國外先進的成套測量標定設備DYNALOG進行軌跡精度測試,嚴格精度把關
第1、2關節重復定位精度±0.02MM,第3關節重復定位精度±0.01MM,第4關節重復定位精度±0.01度
出廠前穩定性測試長達7*24小時以上,保證質量的穩定
(二)易使用
1、豐富的用戶接頭,本體內部走線集成了伺服電機動力線和編碼線以及方便用戶使用的DB15接頭、三個φ6的氣管接頭,既保持整體外觀,也方便夾具接線應用
2、3軸絲桿中空設計,用戶氣管可直通底部,安裝吸盤即可實現拾取
3、輕松拖曳即可推動機器人進行示教,定位記錄更加準確方便
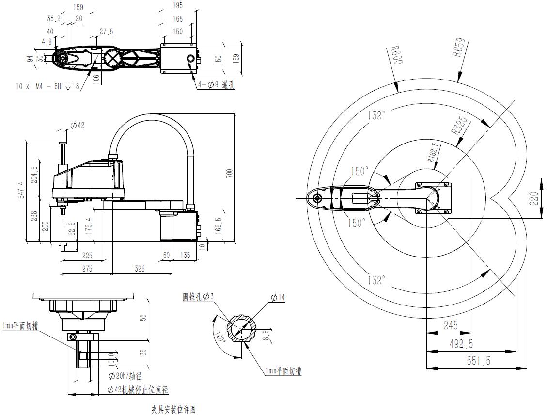
二、技術參數
| 工業機器人 | LG-ARA462 | |
| 自由度 | 4 | |
| *大負載/額定負載 | 6Kg/2Kg | |
| *大工作半徑 | 600mm | |
| 重復定位精度 | ±0.02mm | |
| 運動范圍 | J1 | ±132° |
| J2 | ±150° | |
| J3 | 0-200mm | |
| J4 | ±360° | |
| 額定速度 | J1 | 225°/s,3.92rad/s |
| J2 | 360°/s,6.28rad/s | |
| J3 | 666mm/s | |
| J4 | 1200°/s,20.93rad/s | |
| *高速度 | J1 | 375°/s,6.54rad/s |
| J2 | 600°/s,10.46rad/s | |
| J3 | 1111mm/s | |
| J4 | 2000°/s,34.88rad/s | |
| 容許慣性矩 | J4 | 0.12kg㎡/0.01kg㎡ |
| 容許扭矩 | J4 | 4.23Nm |
| 適用環境 | 溫度 | 0~45° |
| 濕度 | 20%~80% | |
| 其他 | 避免與易燃易爆或腐蝕性氣體、液體接觸,遠離電子噪聲源(等離子) | |
| 示教器線纜長度 | 選配(若需配置,示教器線纜長度為8米) | |
| 本體-柜體連接線長度 | 3米 | |
| I/O參數 | 數字量:32輸入,31輸出(控制柜故障指示燈輸出占用1) | |
| 電源容量 | 0.8kVA | |
| 額定功率 | 0.6kW | |
| 額定電壓 | 單相AC220V | |
| 額定電流 | 3.2A | |
| 防護等級 | IP54 | |
| 安裝方式 | 地面安裝、桌面安裝 | |
| 本體重量 | 21kg | |
| 控制柜防護等級 | IP53 | |
| 控制柜尺寸 | 500(寬)×270(厚)×530(高)-可立可臥 | |
| 控制柜重量 | 38KG | |
三、工業機器人參數圖

四、工業應用

工業機器人貼標

工業機器人生產流水線
- 上一篇:LG-ARA431型 工業機器人
- 下一篇:LG-ARA452型 工業機器人



